| 项目名称 | 描述 | 项目名称 | 描述 |
|---|---|---|---|
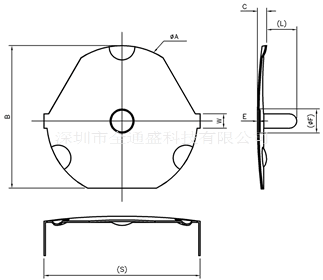
| A直径(mm) | 6.0 | 产品型号 | 6-TDF-OW2-300 |
| 材料 | 不锈钢 | 荷重(g) | 300 |
| 荷重公差(g) | ±30 | 寿命(次数) | |
| 材料厚度(mm) | 0.08 | B宽度(mm) | 5.75 |
| C高度(mm) | 0.48±0.05 | E点深度(mm) | 0.08±0.05 |
| F点直径(mm) | 1.2 | W宽度(mm) | 0.9 |
| L长度(mm) | 2 | S长度(mm) | (6.1~7.0) |
| 手感(%) |
| 荷重 (g) | 型号 | 荷重 (g) | 型号 |
|---|---|---|---|
| 200 | 6-TDF-OW2-200 6-TDF-W0.8-180 | 230 | DN6-TDF-OW3-230 6-TDF-OW3-230 |
| 250 | 6-TDF-OW2-250 6-TDF-W0.8-250 | 300 | 6-TDF-OW3-300 6-TDF-W0.8-300 |
| 400 | 6-TDF-OW2-400 6-TDF-OW3-400 6-TDF-W0.8-400 | 450 | 6-TDF-OW2-450 |
| 功能\材料 | 不锈钢 | 不锈钢(双面镀镍) | 不锈钢(单面镀金) |
|---|---|---|---|
| 表面处理 | 无 | 双面镀镍 | 先双面镀镍,再单面镀金 |
| 耐腐蚀 | 一般 | 比较好 | 好 |
| 导电性能 | 一般 | 比较好 | 好 |
| 电阻 | 小于100欧姆 | 小于1欧姆 | 小于0.1欧姆 |
| 适用行业 | 消费电子 | 工业、仪器、设备 | 汽车、航空、医疗、银行 |
| 成本 | 一般 | 高 | 非常高 |
若最终的产品对弹片的阻值要求比较高,建议使用不锈钢(双面镀镍)或者不锈钢(单面镀金)材料。
| 名称 | 描述/规格/参数 |
|---|---|
| 触电布置 | SPST N.O |
| 开关/工作电压 | 0.1 to 50电压(直流) V DC |
| 开关功率 | 1 瓦Watt |
| 开关电流 | 0.005 to 100毫安(直流) mA DC |
| 接触电阻 | 单面镀金 <0.10 欧姆ohm, 双面镀镍 <1 欧姆ohm, 不锈钢 <100 欧姆ohm |
| 回弹时间 | <0.3毫秒ms |
| 触点时间 | <0.6毫米ms |
| 工作温度 | -40 摄氏度degrees C to +100 摄氏度degrees C |
| 存储温度 | -55 摄氏度degrees C to +100 摄氏度degrees C |
以上所列数值是标准数值参考,这些数值主要取决于在最终产品上实际组装的状况。
除了特别指定外,默认荷重(压力)测试头的尖头(0.3mm)尺寸如下图所示。
测试荷重(压力): 360 (g)
测试频率: 180次/分钟
测试头大小: 标准( 直径 3mm ) 60°硅胶头 (参考如下图示)
寿命测试头
弹片测试时,请注意一些事项如下:
金属弹片 ( 又称锅仔片或metal dome, snap dome ) , ( 因为其开关像倒扣过来的锅,故俗称 锅仔片, 或' 锅子片' ) , 英文 metal dome , 采用不锈钢制成, 是开关上的一个重要组成部分,借助于金属弹片的的导通性,在使用者和产品之间起到一个优质的开关的作用。同时,利用金属弹片的稳定回弹力(按下后自动复位),其特点超长的寿命,给使用者提供优质的触觉反馈。金属弹片所使用的材料比较薄 ( 通常使用 0.05mm ~ 0.15mm ) 不锈钢钢带( 钢材牌号通常使用301或者304 ),金属弹片是开关上的一个重要的组成部分。
金属弹片主要应用于薄膜开关、接触开关、PCB板、FPC板,医疗器械等产品中。金属弹片的工作原理:薄膜按键上的金属弹片位于PCB板上的导电部位( 大部分位于线路板上的金手指上方 ),当受到按压时,弹片的中心点下凹,接触到PCB上的线路,从而形成回路,电流通过,整个产品就得以正常工作。
弹片采用进口不锈钢材料,此材料含碳量低(0.08%),抗氧化度高, 本产品品质优良,性能好。产品通过SGS认证,提供可靠的质量保证,符合欧盟REAH法规和RoHS指令,产品符合环保要求。
金属弹片的工作原理:薄膜按键上的金属弹片位于PCB板上的导电部位(大部分位于线路板上的金手指上方),当受到按压时,弹片的中心点下凹,接触到PCB上的线路,从而形成回路,电流通过,整个产品就得以正常工作。...

广泛应用于手机、数码相机、电话、MP3以及其它数码产品等,金属弹片(锅仔片)是在生活中无处不在的,比如您的手机按键,做饭的电磁炉按键、各类家用电器、各种健身电子器材、各类电器、电子设备、仪表仪器等。各类行业应用仅罗列常用用途如下:
电话:+86-137-1422-1024 QQ:1326309272
电子邮箱: info@metaldome.net 网站: www.metaldome.net www.quantongsheng.com

建立文档日期: 2026-04-19
来源网址 http://www.metaldome.net/zh-cn/partnumber/detail/6-TDF-OW2-300